Продукция
ГальванотехникаГальванические линииОборудование для очистки гальванических и промышленных стоковЭлементы для создания вентиляционных системДополнительное оборудованиеЁмкостное оборудованиеУльтразвуковой модульБиологическая очистка сточных водОборудование для очистки технологических жидкостейОборудование для очистки технологических жидкостей
Вакуумный дегазатор трансформаторного масла ВД-901-2
Вакуумный дегазатор предназначен для термовакуумной, центробежной и фильтрационной обработки трансформаторного масла с целью его осушки, дегазации и очистки от механических примесей при эксплуатации, ремонте и проведении регламентных работ электропогружного и наземного оборудования.
Основные отличия дегазатора ВД-901-2 от аналогов:
- Простота и удобство эксплуатации за счёт компьютерного управления с сенсорного дисплея и автоматизации режимов работы.
- Встроенный центробежный очиститель позволяет обрабатывать масла с высокой начальной загрязнённостью (до 17 класса по ГОСТ17216-2001) и обводнённостью (до 1% по массе и более).
- Непрерывный контроль влагосодержания даёт возможность устанавливать режимы работы, обеспечивающие наилучшее качество обработки масла.
- Герметичный насос с двойным торцевым уплотнением гарантирует исключение попадания воздуха в уже отдегазированное масло и обеспечивает безкавитационный режим работы при откачке масла из дегазационной камеры, что повышает его ресурс и надежность.
- Наличие маслоотделителя вакуумного насоса позволяет эксплуатировать дегазатор в закрытом помещении.
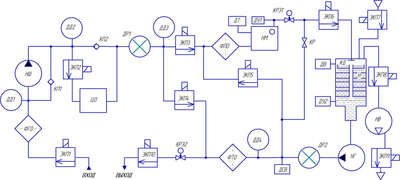
Гидравлическая схема

ЭКП1-ЭКП10 — электромагнитные клапаны; ФГО — фильтр грубой очистки; ФПО — фильтр предварительной очистки; ФТО — фильтр тонкой очистки; ДД1-ДД4 — датчики давления; КР — кран шаровый; КРЭ1-КРЭ2 — краны с электроприводом; НШ — насос шестерённый; НВ — насос вакуумный; НГ — насос герметичный; ЦО — центробежный очиститель; ДР1, ДР2 — датчики расхода; ДВ — датчик вакуума; НМ — нагреватель масла; КД — камера дегазационная; ДУ1, ДУ2 — датчики уровня; ДСВ — датчик содержания влаги в масле; ДТ — датчик температуры; Н — наполнитель с развитой поверхностью; КП1, КП2 — клапаны перепускные.
Режимы работы
- Дегазация масла с нагревом, вакуумированием и удалением механических примесей фильтрами предварительной и тонкой очистки (без центробежной очистки, при небольшом содержании механических примесей и воды).
- Дегазация масла с нагревом, вакуумированием и удалением механических примесей и нерастворенной воды центробежным очистителем, а также фильтрами предварительной и тонкой очистки.
- Нагрев и очистка масла от механических примесей и нерастворенной воды центробежным очистителем и фильтрами предварительной и тонкой очистки (применяется при отсутствии необходимости дегазации масла).
- Циркуляционная очистка масла от механических примесей и нерастворенной воды центробежным очистителем (применяется при значительном содержании механических примесей и воды для предварительной очистки масла перед дегазацией).
- Непрерывный контроль параметров и отключение дегазатора при выходе их из заданных пределов (при отсутствии расхода, превышении температуры, давления, уровня масла в дегазационной камере и нагревателе масла, загрязнённости фильтроэлементов).
Технические характеристики установки (для стандартных исполнений)
| Эксплуатационные характеристики дегазатора | |
| Производительность в режиме дегазации-осушки масла, м3/ч | до 2 |
| Производительность при перекачке с нагревом и очисткой от мехпримесей, м3/ч | до 3 |
| Давление на выходе, бар | до 3,0 |
| Рабочий уровень вакуума в дегазационной камере, мм рт. ст. | 0,5-2 |
| Рабочая температура масла при дегазации, ºС | 60 |
| Производительность вакуумного насоса, м3/ч | 250 |
| Частота вращения ротора центрифуги, об/мин | 8 000 |
| Допустимые показатели масла до обработки | |
| Содержание влаги в масле (при наличии центробежного очистителя), г/т (%) | до 10 000 (1) |
| Содержание влаги в масле (при отсутствии центробежного очистителя), г/т (%) | до 50 (0,005) |
| Содержание газов в масле, % | 10 |
| Содержание механических примесей, г/т (кл.чист.) | до 640 (17) |
| Показатели масла после обработки за один проход | |
| Содержание влаги в масле, г/т (%), не более | 5 (0,0005) |
| Содержание газов в масле, % | 0,1 |
| Содержание механических примесей, г/т (класс чистоты), не более | 2,5 (9) |
| Тонкость очистки от мехпримесей, мкм | 5 |
| Параметры энергопотребления | |
| Мощность вакуумного насоса, кВт | 5,5 |
| Мощность герметичного насоса, кВт | 4 |
| Мощность шестерённого насоса, кВт | 0,75 |
| Мощность электропривода центрифуги, кВт | 4,0 |
| Мощность нагревателя масла, кВт | 40 |
| Удельная поверхностная мощность нагревателей, Вт | 0,95 |
| Потребляемая мощность дегазатора, не более, кВт | 54 |
| Напряжение трехфазной сети 50 Гц, В | 380±10% |
| Диаметры входных-выходных патрубков | |
| Резьба М42х2 (ГОСТ 13955-74) на входе, Ду | 25 |
| Резьба М33х2 (ГОСТ 13955-74) на входе, Ду | 20 |
| Комплектация | |
| Вакуумный дегазатор трансформаторного масла ВД-901-2, шт. | 1 |
| Рукава, всасывающий и напорный, шт. | 2 |
| Комплект запасных частей и принадлежностей центрифуги, шт. | 1 |
| Паспорт, экз. | 1 |
| Руководство по эксплуатации, зкз. | 1 |
| Массогабаритные показатели | |
| Габаритные размеры оборудования, ДхШхВ, мм, не менее | 2267х1272х1980 |
| Масса сухая / заправленного маслом, кг | 1200/1500 |